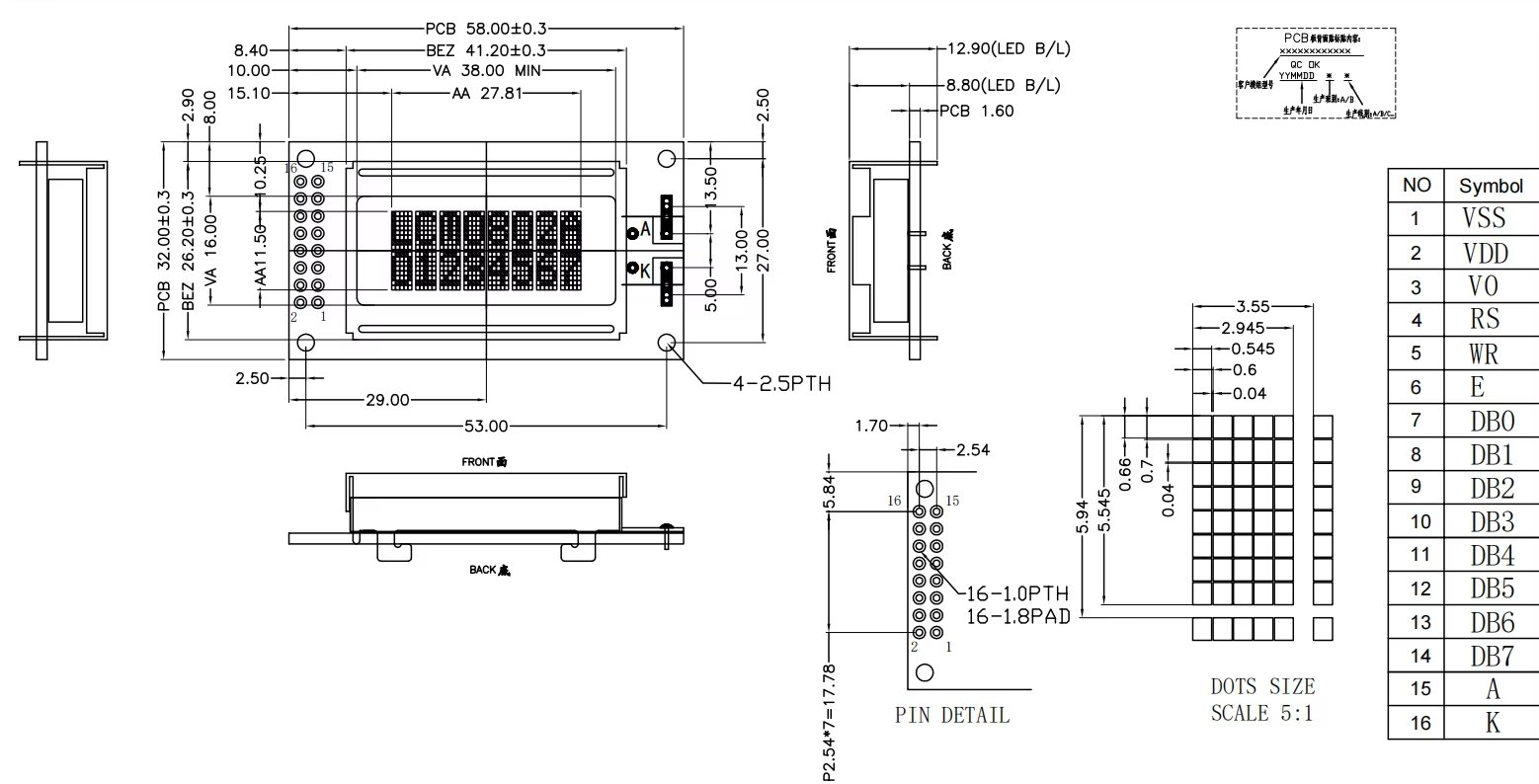
Product model

 

Outline Dimension

 

       Visual Area

YHBC0802A                                                              58.0mm x32.0mm                                              38mmx16mm



YHBC0802C                                                               58.0mm x32.0mm                                              39mmx16mm

Display Type:  0802Character 

IC Options: ST7066U/AIP31066L/RW1063

Interface: Parallel Port / SPI

Driving Voltage: 5V or 3.3V

LCD Colors: yellow-green, blue, gray, white, orange, FSTN, other

Scroll to Top